Rynek przenośnych odtwarzaczy muzycznych przeżywa w ostatnich latach ciekawy renesans. Pomimo dominacji serwisów...
Masz już konto?
ZalogujUtwórz konto
ZarejestrujKategorie
-
Producenci
- Acoustic Energy
- Acoustic Solid
- Acoustique Quality
- AEG
- Alctron
- Analogis
- Anthem
- Apart Audio
- AQ
- AQ VisiON
- Arcam
- Argon Audio
- ArtSound
- Atacama
- Audio-Technica
- Audiolab
- AudioPro
- Audiosymptom
- Avers
- AwoX
- B-Tech
- Bandridge
- Bang & Olufsen
- BenQ
- Beyerdynamic
- Biamp
- Brainwavz
- Bridge
- Cambridge Audio
- Canon
- Cayin
- Chord
- Chord Electronics
- ConnectionLAB
-
Głośniki i kolumny
- HI-END
- Kable
- Kino domowe
-
Słuchawki
-
Słuchawki domowe
- Słuchawki audiofilskie
- Słuchawki Bluetooth nauszne
- Słuchawki do telewizora
- Słuchawki do komputera
- Słuchawki dla dzieci
- Słuchawki gamingowe dla graczy
- Słuchawki przewodowe
- Słuchawki studyjne
- Słuchawki wokółuszne (nauszne)
- Słuchawki z mikrofonem
- Przetworniki, odtwarzacze, wzmacniacze domowe
- Akcesoria do słuchawek
-
Słuchawki domowe
- Projektory
- Stereo
- Gramofony
- Nagłośnienie PA
- Ekrany do projektora
- Akcesoria
- OUTLET
Jak działa końcówka mocy?
Końcówka mocy jest końcowym elementem toru wzmacniającego. Ma za zadanie wzmocnić wstępnie wzmocniony i przefiltrowany sygnał pochodzący z przedwzmacniacza oraz zasilić głośniki kolumn, które odpowiednio wzmocniony sygnał przekształcą na falę akustyczną.
Końcówki mocy oparte na tranzystorach wykorzystują właściwości tego elementu do wzmacniania sygnału elektrycznego i wzmacniają zarówno prąd i napięcie. Obecnie większość wzmacniaczy oparta jest na właśnie na tranzystorach.

Schemat wzmacniacza opartego na tranzystorach
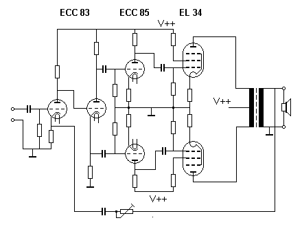
Drugą pożądaną konstrukcją przez melomanów są wzmacniacze lampowe. W tym przypadku wzmocnienie następuje za pomocą lamp elektronowych w których wykorzystuje się wiązki elektronów lub jonów poruszających się między elektrodami lampy i sterowanych elektrycznie elektrodami. Tak wzmocniony sygnał o odpowiednich parametrach przekazywany jest do kolumn głośnikowych, które za pomocą wychyleń membrany generują falę akustyczną.

Schemat wzmacniacza audio opartego na lampach elektronowych
Zobacz ofertę końcówek mocy w sklepie AVstore.pl
Powiązane produkty
Biamp REVAMP2150 - Wzmacniacz cyfrowy końcówka mocy
Anthem MCA 525 GEN 2 - Wielokanałowa końcówka mocy
Pro-Ject Amp Box DS2 – Wzmacniacz mocy
Pro-Ject Amp Box RS – Wzmacniacz mocy lampa High-End
NuPrime STA-9X - Końcówka mocy stereo 2x130W / mono 1x330W RMS klasa A+D
Dodaj komentarz
Powiązane posty
Porównanie właściwości kabli głośnikowych
Onkyo
Monacor
Musical Fidelity
%20(2).jpg)
Cookies
Ostatnie komentarze