Rynek przenośnych odtwarzaczy muzycznych przeżywa w ostatnich latach ciekawy renesans. Pomimo dominacji serwisów...
Masz już konto?
ZalogujUtwórz konto
ZarejestrujKategorie
-
Producenci
- Acoustic Energy
- Acoustic Solid
- Acoustique Quality
- AEG
- Alctron
- Analogis
- Anthem
- Apart Audio
- AQ
- AQ VisiON
- Arcam
- Argon Audio
- ArtSound
- Atacama
- Audio-Technica
- Audiolab
- AudioPro
- Audiosymptom
- Avers
- AwoX
- B-Tech
- Bandridge
- Bang & Olufsen
- BenQ
- Beyerdynamic
- Biamp
- Brainwavz
- Bridge
- Cambridge Audio
- Canon
- Cayin
- Chord
- Chord Electronics
- ConnectionLAB
-
Głośniki i kolumny
- HI-END
- Kable
- Kino domowe
-
Słuchawki
-
Słuchawki domowe
- Słuchawki audiofilskie
- Słuchawki Bluetooth nauszne
- Słuchawki do telewizora
- Słuchawki do komputera
- Słuchawki dla dzieci
- Słuchawki gamingowe dla graczy
- Słuchawki przewodowe
- Słuchawki studyjne
- Słuchawki wokółuszne (nauszne)
- Słuchawki z mikrofonem
- Przetworniki, odtwarzacze, wzmacniacze domowe
- Akcesoria do słuchawek
-
Słuchawki domowe
- Projektory
- Stereo
- Gramofony
- Nagłośnienie PA
- Ekrany do projektora
- Akcesoria
- OUTLET
Jak działa wzmacniacz audio?
Wzmacniacz audio – urządzenie służące do wzmacniania mocy sygnałów elektrycznych pochodzących ze źródeł sygnału elektroakustycznego jak np. gramofon, magnetofon, mikrofon, radioodbiornik, elektrofony, odtwarzacz CD, odtwarzacz MP3 w celu dalszego połączenia z kolumnami głośnikowymi bądź słuchawkami, co skutkuje przetworzeniem energii wzmocnionego sygnału elektroakustycznego w fale akustyczne. Budowa tego typu wzmacniacza może być oparta na tranzystorach, lampach elektronowych lub też może być hybrydą tych rozwiązań.

Wzmacniacz audio składa się z sekcji przedwzmacniacza jak i końcówki mocy. Często pojęcie wzmacniacz audio odnosi się do wzmacniacza zintegrowanego gdzie te dwie sekcje są zamknięte w jednej obudowie.
Zasada działania:
W sekcji przedwzmacniacza następuje wstępna filtracja i wzmocnienie napięciowe sygnału. Działanie wzmacniacza mocy może się różnić w zależności od konstrukcji czy typu. Końcówki mocy oparte na tranzystorach wykorzystują właściwości tego elementu do wzmacniania sygnału elektrycznego i wzmacniają zarówno prąd i napięcie. Obecnie większość wzmacniaczy oparta jest na właśnie na tranzystorach.
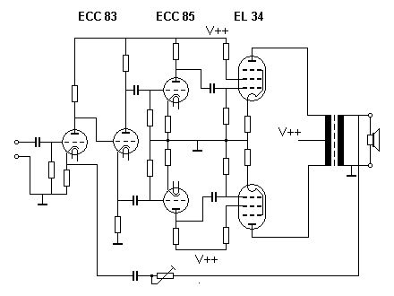
Drugą pożądaną konstrukcją przez melomanów są wzmacniacze lampowe. W tym przypadku wzmocnienie następuje za pomocą lamp elektronowych w których wykorzystuje się wiązki elektronów lub jonów poruszających się między elektrodami lampy i sterowanych elektrycznie elektrodami. (zobacz: Jak działają lampy we wzmacniaczu?). Tak wzmocniony sygnał o odpowiednich parametrach przekazywany jest do kolumn głośnikowych, które za pomocą wychyleń membrany generują falę akustyczną.

Schemat wzmacniacza audio opartego na lampach elektronowych
Zobacz ofertę wzmacniaczy zintegrowanych w sklepie AVstore.pl
Powiązane produkty
Taga Harmony HTA-600B - Hybrydowy wzmacniacz stereo z Bluetooth
MONACOR SA-50 - Kompaktowy wzmacniacz stereo 2 x 12.5W RMS Hi-Fi
NuPrime Omnia A300 - Wzmacniacz zintegrowany 2x200W z odtwarzaczem strumieniowym, Wi-Fi, Bluetooth z aptX HD
Musical Fidelity M6si 500 (M6si500) - Wzmacniacz zintegrowany stereo Full Dual Mono
Tonsil W-250U - Wzmacniacz miksujący 5-strefowy 250W z MP3 USB, Bluetooth i FM
FiiO KA3 - Przenośny wzmacniacz słuchawkowy z DAC
Monitor Audio IWA-250 - Wzmacniacz do subwoofera
Pro-Ject MaiA S3 – Wzmacniacz zintegrowany stereo z odbiornikiem Bluetooth 5.0
Pro-Ject Stereo Box S3 BT – Wzmacniacz zintegrowany stereo z odbiornikiem Bluetooth 5.0
Dodaj komentarz
Powiązane posty
Porównanie właściwości kabli głośnikowych
Klipsch
Audio-Technica
STX
%20(2).jpg)
Cookies
Ostatnie komentarze